产品介绍
Y2系列电机是广泛应用的全封闭,鼠笼型三相异步电机,为铝质外壳。本厂生产63、71、80和90四个机座号。安装尺寸符合IEC标准,功率等级及效率符合DIN标准,防护等级为F级,冷却方式为ICO141。
本系列电机设计新颖,造型美观,噪声低,效率高,维护方便,适用于小型机床、印刷、包装机械、纺织机械和医疗器械等。
本系列内包含YS系列。
YVF2系列的变频调速电机和YD变极变速电机,上述各系列电机本厂均可提供。
使用条件
环境温度:-15~+40℃
海拔:不超过1000M
电压:380V/220V
工作方式:连续(SI)
技术数据:
| 型号 | 功率(W) | 电流(A) | 电压(V) | 频率(Hz) | 转速(r/min) | 效率(%) | 功率因数cosΦ | 起动转矩/额定转矩(倍) | 起动电流/额定电流(倍) | 最大转矩/额定转矩(倍) |
| Y2-631-2 | 180 | 0.53/0.91 | 380/220 | 50 | 2800 | 69 | 0.75 | 2.3 | 6.0 | 2.4 |
| Y2-632-2 | 250 | 0.67/1.16 | 380/220 | 50 | 2800 | 72 | 0.78 | 2.3 | 6.0 | 2.4 |
| Y2-631-4 | 120 | 0.48/0.83 | 380/220 | 50 | 1400 | 60 | 0.63 | 2.4 | 6.0 | 2.4 |
| Y2-632-4 | 180 | 0.65/1.12 | 380/220 | 50 | 1400 | 64 | 0.66 | 2.4 | 6.0 | 2.4 |
| Y2-711-2 | 370 | 0.95/1.65 | 380/220 | 50 | 2800 | 73.5 | 0.80 | 2.3 | 6.0 | 2.4 |
| Y2-712-2 | 550 | 1.35/2.33 | 380/220 | 50 | 2800 | 75.5 | 0.82 | 2.3 | 6.0 | 2.4 |
| Y2-711-4 | 250 | 0.83/1.44 | 380/220 | 50 | 1400 | 67 | 0.68 | 2.4 | 6.0 | 2.4 |
| Y2-712-4 | 370 | 1.12/1.94 | 380/220 | 50 | 1400 | 69.5 | 0.72 | 2.4 | 6.0 | 2.4 |
| Y2-711-6 | 180 | 0.88/1.52 | 380/220 | 50 | 910 | 59 | 0.63 | 2.0 | 5.5 | 2.0 |
| Y2-712-6 | 250 | 1.13/1.96 | 380/220 | 50 | 910 | 63 | 0.64 | 2.0 | 5.5 | 2.0 |
| Y2-801-2 | 750 | 1.8/3.1 | 380/220 | 50 | 2800 | 76.5 | 0.85 | 2.2 | 6.0 | 2.4 |
| Y2-802-2 | 1100 | 2.25/4.42 | 380/220 | 50 | 2800 | 77 | 0.85 | 2.2 | 6.0 | 2.4 |
| Y2-801-4 | 550 | 1.6/2.77 | 380/220 | 50 | 1400 | 73.5 | 0.73 | 2.4 | 6.0 | 2.4 |
| Y2-802-4 | 750 | 2/3.5 | 380/220 | 50 | 1400 | 75.5 | 0.75 | 2.4 | 6.0 | 2.4 |
| Y2-801-6 | 370 | 1.29/2.23 | 380/220 | 50 | 910 | 68 | 0.64 | 2.0 | 5.5 | 2.0 |
| Y2-802-6 | 550 | 1.81/3.14 | 380/220 | 50 | 910 | 71 | 0.65 | 2.0 | 5.5 | 2.0 |
| Y2-801-8 | 180 | 0.86/1.49 | 380/220 | 50 | 700 | 58 | 0.55 | 1.8 | 4.5 | 1.9 |
| Y2-802-8 | 250 | 1.1/1.91 | 380/220 | 50 | 700 | 62 | 0.56 | 1.8 | 4.5 | 1.9 |
| Y2-90S-2 | 2200 | 4.83/8.36 | 380/220 | 50 | 2820 | 78 | 0.85 | 2.2 | 7.0 | 2.4 |
| Y2-90L-2 | 2200 | 4.83/8.36 | 380/220 | 50 | 2820 | 80.5 | 0.86 | 2.2 | 7.0 | 2.4 |
| Y2-90S-4 | 1100 | 2.75/4.76 | 380/220 | 50 | 1400 | 78 | 0.78 | 2.3 | 6.5 | 2.4 |
| Y2-90L-4 | 1500 | 3.65/6.32 | 380/220 | 50 | 1400 | 79 | 0.79 | 2.3 | 6.5 | 2.4 |
| Y2-90S-6 | 750 | 2.26/3.92 | 380/220 | 50 | 910 | 73 | 0.69 | 2.0 | 5.5 | 2.1 |
| Y2-90L-6 | 1100 | 3.2/5.5 | 380/220 | 50 | 910 | 74 | 0.71 | 2.0 | 6.0 | 2.1 |
| Y2-90S-8 | 370 | 1.4/2.4 | 380/220 | 50 | 700 | 68 | 0.60 | 1.8 | 4.5 | 1.9 |
| Y2-90L-8 | 550 | 1.95/3.38 | 380/220 | 50 | 700 | 69 | 0.62 | 1.8 | 4.5 | 1.9 |
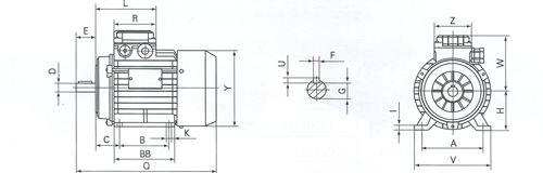
| -B3- | A | B | C | D | E | F | G | H | I | U | V | W | Y | BB | L | R | Z | K | Q |
| Y2L50 | 80 | 63 | 33 | 9 | 20 | 3 | 7.2 | 50 | 7 | 3 | 100 | 76 | 99 | 73 | 98 | 70 | 65 | 5.8 | 170 |
| Y2L56 | 90 | 71 | 35 | 9 | 20 | 3 | 7.2 | 56 | 8 | 3 | 110 | 93 | 117 | 87 | 99 | 70 | 65 | 5.8 | 195 |
| Y2L63 | 100 | 80 | 40 | 11 | 23 | 4 | 8.5 | 63 | 9 | 4 | 123 | 95 | 2122 | 104 | 102 | 70 | 65 | 7 | 222 |
| Y2L71 | 112 | 90 | 45 | 14 | 30 | 5 | 11 | 71 | 10 | 5 | 136 | 108 | 137 | 113 | 114 | 80 | 75 | 8 | 245 |
| Y2L80 | 125 | 100 | 50 | 19 | 40 | 6 | 15.5 | 80 | 10 | 6 | 154 | 118 | 156 | 125 | 118 | 80 | 75 | 10 | 283 |
| Y2L90L | 140 | 125 | 56 | 24 | 50 | 8 | 20 | 90 | 12 | 7 | 180 | 128 | 169 | 155 | 134 | 98.5 | 98.5 | 10 | 336 |
| Y2L90S | 140 | 100 | 56 | 24 | 50 | 8 | 20 | 90 | 12 | 7 | 18 | 0128 | 16 | 915 | 134 | 98.5 | 98.5 | 10 | 336 |
法兰安装 IMB5 flange mounting IMB5
| -14- | D | E | F | G | M | N | P | s | u | W | X | Y | L | R | Z | Q |
| Y2L50 | 9 | 20 | 3 | 7.2 | 55 | 40 | 70 | M5 | 3 | 76 | 2.5 | 99 | 98 | 70 | 65 | 170 |
| Y2L56 | 9 | 20 | 3 | 7.2 | 65 | 50 | 80 | M5 | 3 | 93 | 2.5 | 117 | 100 | 70 | 65 | 197 |
| Y2L63 | 11 | 23 | 4 | 8.5 | 75 | 60 | 90 | M5 | 4 | 95 | 3 | 122 | 102 | 70 | 65 | 224 |
| Y2L71 | 14 | 30 | 5 | 11 | 85 | 70 | 105 | M5 | 5 | 108 | 3.5 | 137 | 114 | 80 | 75 | 239 |
| Y2L80 | 19 | 40 | 6 | 15.5 | 100 | 80 | 120 | M5 | 6 | 118 | 3.5 | 156 | 118 | 80 | 75 | 278 |
| Y2L90 | 24 | 50 | 8 | 20 | 115 | 95 | 138 | M5 | 7 | 128 | 3.5 | 169 | 135 | 98.5 | 98.5 | 336 |
更多产品







